Die massive Ausführung der Ofenrohre ist besonders für die Abgasführung bei Kaminen, Öfen, Holzkesseln und Holzvergasern geeignet. Unsere Rauchrohre werden einfach zusammengesteckt, dafür ist jedes Rauchrohr einseitig verjüngt. Selbstverständlich erhalten Sie bei uns nur Senothermbeschichtete Rauchrohre. Bei Temperaturen über 150 °C sollte immer auf die ausreichende Stärke der Rauchrohre geachtet werden. Die hier angebotenen Ofenrohre können Sie problemlos auch bei hohen Temperaturen einsetzen.
Beachten Sie: In jedem Abgassystem sollte eine Reinigungs- bzw. Revisionsöffnung für den Schornsteinfeger enthalten sein. Ansonsten muss bei Überprüfung z.B. von Ablagerungen das System demontiert werden.
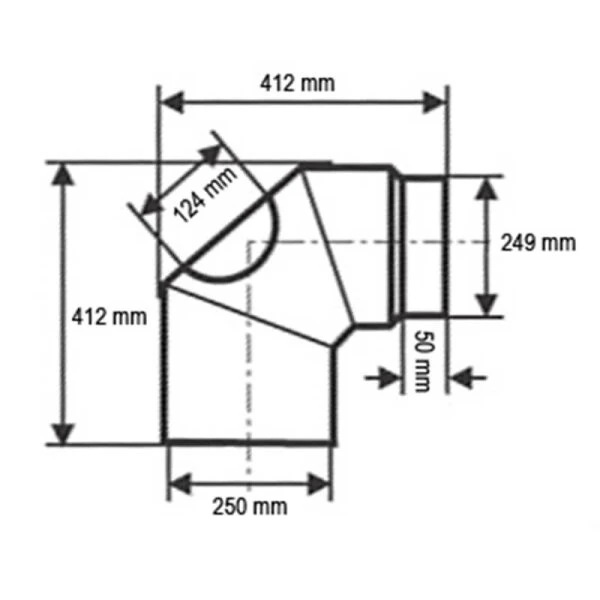
- Durchmesser 250 mm
- Farbe: Schwarz
- Winkel 90° mit Reinigungsöffnung
- Stärke 2 mm
- Material: Stahlblech ST-12
- CE und DIN EN 1856-2
- für flüssige und feste Brennstoffe
- Frost- und Tauwechselbeständig
- Rußbrandbeständig
- Made in Germany „Qualität seit 1887“










Rezensionen
Es gibt noch keine Rezensionen.